Устройство и принцип работы
Тепловентилятор, по определению, должен генерировать тепло, которое разносится по помещению с помощью вентилятора.
Поэтому любой такой прибор состоит из трех обязательных компонентов:
- Корпус.
- Нагревательный элемент.
- Вентилятор.
Корпус бюджетных моделей выполнен из дешевого пластика, который при длительной эксплуатации может деформироваться и даже оплавляться. Желательно приобретать тепловентиляторы в металлической оболочке, которая способна ограничить возгорание в случае перегревания внутренних элементов.
Сзади обогревателя должно быть достаточное пространство для беспрепятственного поступление комнатного воздуха в воздухозаборники, поэтому так важно правильно установить его
Вентилятор может иметь различную мощность. Чем она выше, тем быстрее продувается воздух через нагревательный элемент, снижая температуру его поверхности. Скорость вращения крыльчатки зачастую изменяется с помощью ручки-регулятора.
Вентиляторы могут быть двух типов:
- осевые (лопастные);
- тангенциальные.
Осевые вентиляторы имеют 3-8 лопастей привычного вида, которые изготовлены из пластика или металла. Такие крыльчатки устанавливаются на переносные модели. Осевые вентиляторы шумные, но неприхотливые в обслуживании. Их нужно периодически смазывать машинным маслом.

Осевые крыльчатки хороши тем, что практически не требуют периодической чистки, но их двигатель расположен на пути горячего воздуха, поэтому часто выходит из строя
Тангенциальные вентиляторы имеют вид цилиндра с 20-30 лопастями в виде продольно расположенных полосок. Размещаются они в основном в настенных и вертикальных моделях.
Цилиндрическая конструкция обеспечивает тихую работу и высокую производительность. Недостатком тангенциальных вентиляторов является необходимость их периодической чистки.

Горизонтально расположенные тангенциальные вентиляторы обязательно должны иметь подшипники, иначе через 1-2 года они начнут вибрировать и шуметь
Нагревательные элементы расположены спереди крыльчаток, что позволяет равномерно их охлаждать. Заднее расположение вентилятора также способствует захвату большего количества воздуха.
Помимо основных составных частей, обогреватели могут иметь дополнительное оборудование, расширяющее их функциональность.
Проводим ремонт
В первую очередь необходимо разобрать корпус прибора. Обычно он состоит из двух частей, которые между собой соединены маленькими винтами. Их-то и необходимо открутить, используя отвертку.
Теперь, когда корпус разобран, необходимо осмотреть внутренности прибора на предмет обгоревших проводов или отсоединенных частей или узлов. Если такое обнаружено, тогда сгоревшие провода лучше заменить новыми, отсоединившиеся части хорошо прикрепить стандартными способами
Здесь важно качество и гарантии, что этого больше не повторится
Если и в этом случае тепловентилятор не заработал, то надо искать более сложную причину его поломки.
- Если в процессе подключения вилки в розетку вентилятор даже не шелохнулся, не издал ни единого звука, то в первую очередь проверьте соединительный провод. Вдруг там образовался разрыв. Для этого вставьте вилку в розетку и пошевелите шнур, обычно место обрыва начинает контактировать и вентилятор может неожиданно заработать. Частенько в месте разрыва появляется искра и явно слышимый треск электрического тока. Поэтому совет – или замените шнур на новый, или сделайте разделку в месте обрыва и хорошо соедините провода с последующей изоляцией.
- Нередко могут сгореть два предохранителя: один термический, второй от перегрева. Расположены они обычно рядом друг с другом. Каждый из них необходимо прозвонить тестером. Если контрольный прибор показывает, что через них проходит электрический ток, то причину поломки надо искать в другом месте. Если тестер показывает, что ток не проходит, то проводить ремонт двух предохранителей нельзя. Их надо обязательно менять. Кстати, если вышел из строя только термопредохранитель, то его можно заменить перемычкой из медной проволоки. Со вторым предохранителем так поступать не рекомендуется. Есть большая вероятность возгорания вентилятора. Так что даже и не думайте об этом. Стоят оба прибора копейки, а заменить их можно за пару минут, используя обычный паяльник.
- Нередко сам вентилятор работает, воздух из нагревательного прибора выгоняется, а спирали не накаляются. То есть, агрегат работает, как обычный вентилятор. В этом случае нужно просто осмотреть спирали на предмет разрыва. Если такой обнаружен, то его можно отремонтировать, правильно соединив два конца проволоки. Для этого вам потребуется медная трубка, куда с двух сторон вставляются концы проволоки. Их предварительно надо выпрямить. Вставляете до упора, пока оба конца не столкнутся друг с другом. После этого обжимаете трубку, чтобы ее стенки зажали проволоку. Такое соединение самое надежное. Если вы просто перекрутите оба конца между собой, то через пару часов работы в этом же месте опять произойдет обрыв.
- Есть модели тепловентиляторов, в которых нет спиральной части, а установлен специальный нагревательный элемент. Если он вышел из строя, то не стоит думать над тем, делать ремонт или нет. Его просто надо заменить.
- Не работает группа включения и переключения режимов. Одна из самых распространенных видов поломок. Этот блок чаще всего является продукцией китайского производства, поэтому и быстро выходит из строя. Если сгорели наконечники, то их можно еще отремонтировать. Но если сгорел сам переключатель или терморегулятор, то только замена их на новые спасет ситуацию.
Сложная поломка

И еще одна очень сложная поломка, которую своими руками отремонтировать будет очень непросто. Поэтому ее хотелось бы рассмотреть отдельно. Обычно она характеризуется десятисекундной работой прибора, после чего он сам вдруг выключается. Здесь две причины:
- Первая – сгорел предохранитель, который расположен на первичной обмотке электродвигателя. Добраться до него будет непросто. Для этого вам придется разобрать движок и вытащить из него ротор. Проверяете предохранитель на проводимость. Если все нормально, значит, здесь сработала вторая причина. Если прибор перегорел, то его надо заменить или установить перемычку.
- Вторая причина самая неприятная – сгорел электродвигатель. Не будем вдаваться в подробности, как провести его ремонт. Это будет сложно и недешево, поэтому есть смысл выбросить вентилятор в мусорное ведро и купить новый агрегат.
Вот такие причины обычно встречаются, когда ваш тепловентилятор перестает работать. Как видите, справиться с такими поломками будет несложно. Электрическая схема нагревательного бытового прибора проста, встречается она у всех бытовых приборов, так что если вы справились с ремонтом вентилятора, то осилите и другие агрегаты.
Классификация культиваторов

Например, конструкция ротационного рыхлителя включает в себя четыре движущихся диска, один вращающийся нож черенок и скобы. Кроме этого, он оснащен колесиками и длинной ручкой. С помощью данного приспособления можно выполнять такие действия:
- рыхлить землю;
- обогащать ее удобрениями;
- удалять сорняки.
Средство в движение приводится посредством надавливания на ручку и узел из звездочек, затем он проворачивается.
Другая разновидность устройства — мини-модель. Она специально предназначена для использования в саду или малых теплицах. С ее помощью почва обрабатывается вокруг деревьев и кустарников, также быстро убираются сорняки и выкапываются лунки для рассады и малые садовые культуры.
Бензиновый культиватор оснащается двигателем, который нужен для работы культивирующих фрез. Рабочая их глубина составляет 150 мм, часто они применяются с целью закладки новых ландшафтов. Еще ими можно быстро вспахивать тяжелые грунты и удалять с корнем сорняки.
Ручной культиватор-рыхлитель внешне напоминает маленькие грабли и оснащен 3−5 изогнутыми зубьями с острыми концами.

Корнеудалитель — рыхлитель «Торнадо» имеет заостренные спиралеобразные зубья, имеющие разностороннее направление. Сначала аппарат ставят вертикально по отношению к земле, потом проворачивают на 60 градусов и заглубляют в почву, а потом еще раз разворачивают по часовой стрелке. Потом устройство приподнимается, с ним удалятся и корни.
Глубина обработки с помощью «Торнадо» составляет 20 см, соответственно, удаляются только сорняки, а посаженые культуры не страдают.
Электрические инструменты предназначаются для работы на малых участках, они компактные и имеют хорошую маневренность, соответственно, их можно применять рядом с кустами и деревьями и окучивать их.
Заранее позаботьтесь о том, чтобы шнур имел длину, достаточную для свободной обработки почвы. Такой культиватор экологичный и может быть применен в теплицах.
Складывающийся стол
Отличный вариант самоделки своими руками в гараж – стол со складывающейся столешницей. Лучше всего делать столешницу навесной конфигурации. Это идеальное решение для компактного помещения. Стол можно использовать в качестве рабочего места.

Для изготовления нужны такие материалы:
- ДСП;
- петли для мебели;
- крепёжные элементы для древесины;
- фурнитура;
- бруски дерева;
- крепёжные анкеры.

Подобного рода самоделки для гаража своими руками изготавливаются в несколько этапов (размеры и форму стоит подбирать под свои потребности и помещение):
- Выполнить сквозные отверстия в бруске, и прикрепить его к стене анкерами.
- Разметить и сделать отверстия в будущей столешнице и точках монтажа уголков.
- Прикрепить столешницу к бруску петлями.
- Установить держатель столешницы в закрытом положении. Для этого подойдёт крючок, шпингалет или простейший замок.
- Смонтировать опоры на петли. Устанавливать нужно так, чтобы они прилегали к столешнице при складывании стола.

Виды проволоки для поделок
Сегодня начинающий мастер может найти на прилавках магазина огромный ассортимент материалов для работы.

Поэтому, где купить проволоку для поделок, и какой тип материала выбрать, решать самому мастеру в зависимости от его финансового состояния и пожеланий.

Два главных материала для работы:
Медная проволока. Отличается прочностью, но вместе с тем, пластичностью структуры. Оригинальный блеск поверхности и мягкий глянец также выступают в качестве преимущества данной модели.

Пушистая проволока. Поделки из синельной проволоки получаются интересными, позволяют создавать массу украшений для детского рюкзачка или поделку для декорирования комнаты.

Выбор мастера определяется его личными пожеланиями и навыками работы с конкретным материалом. Фото поделок из проволоки в каталогах и журналах помогут рукодельнице определиться не только с моделью поделки, но и с рабочим материалом.

Классификация теплоустройств
Существует огромное количество самодельных обогревателей. Сделать их можно из подручного материала. Многие народные умельцы стараются, как могут. Из-за этого часто появляются такие конструкции, которые становятся причинами больших бед. Прежде чем приступить к работе, мудрый хозяин подумает о безопасности.
Несмотря на многообразие, все устройства делятся на определённые группы по основным техническим характеристикам.
Вот перечень их отличий:
Масляные и водяные. Батарея, наполненная подогреваемой жидкостью, по-прежнему является наиболее распространённым видом обогревателей из-за своей относительной безопасности и надёжности.
Электрокамины. Приборы с открытым элементом для нагревания воздуха. Один из самых опасных видов подобных устройств. Пожары, ожоги, поражение электротоком — это основные проблемы, которые несёт с собой неправильно сделанный или эксплуатируемый прибор подобного типа.
Тепловентиляторы. Принцип нагревателя тот же, что и в предыдущем варианте, только воздух здесь подаётся в помещение специальным вентилятором, вмонтированным в устройство. Очень удобен для быстрого обогрева определённого места.
Термопанели. Самый безопасный и надёжный вид самодельных обогревателей. Сделать его очень просто из готовых инфракрасных панелей. Кто-то отваживается на самостоятельное изготовление таких панелей из подручного материала.
Пламенные. Обогреватели, в которых используется открытый огонь. Очень редко применяются в домашних условиях, но популярны на рыбалке, в походных условиях, для обогрева сараев и гаражей
Само собой, что при таком виде обогрева соблюдению правил пожарной безопасности уделяют повышенное внимание.
Виды обогревателей для домашнего использования
При выборе конструкции будущего прибора важно обращать внимание не только на его безопасность, но и на эффективность. Поэтому сначала определяют, каким требованиям и целям должен соответствовать будущий обогреватель
Вот некоторые критерии такой оценки:
- безопасность;
- продуктивность;
- экономичность;
- простота сборки и обслуживания;
- компактность;
- удобство;
- эффективность.
В том видео вы узнаете, как сделать каталитический обогреватель;
Общие рекомендации по созданию устройств
В стремлении сэкономить статью расходов многие хозяева, выбирая среди вариантов обогревателей, не спешат приобретать готовые заводские модели.
Ведь имея желание и обладая соответствующими навыками обогревающее устройство всегда можно сконструировать собственными силами.
При выборе обогревателя для гаража, который можно сделать своими руками, многие руководствуются двумя параметрами:
- Обогревающее устройство должно легко активироваться, быстро прогревая помещение.
- Прибор должен иметь простую конструкцию, лишенную сложных деталей и элементов.
- Эксплуатация устройства должна осуществляться при минимальных финансовых затратах.

Оригинальный и при этом безопасный обогреватель можно сконструировать даже из подручных средств, используемых в хозяйстве
Немаловажное значение имеет и безопасность устройства. А потому независимо от способа отопления в гараже необходимо оборудовать систему вентиляции
Ведь уменьшение количества кислорода и скопление продуктов сгорания несет риск для жизни человека.
Стеклокерамические нагревательные элементы и их преимущество
Применение тепловентиляторов с нагревательным стеклокерамическим элементом более современным, чем аналог из нихрома, является менее пожароопасным. Это объясняется тем, что нагревательная температура составляет не больше 150 градусов.
Самым популярным методом изготовления керамических элементов нагревания является прессование смеси в виде порошка и ее обжигание в печи при высоких температурах.
Пластинка из керамики оснащена многими небольшими отверстиями, и именно они пропускают воздух для нагрева. Нужно заметить, что данная поверхность имеет площадь на порядок больше, чем тэн или спираль. Благодаря этому факту воздушные потоки способны нагреваться за короткий промежуток времени до высшей температуры. Но, несмотря на такие преимущества, тепловентилятор с керамическими пластинами имеет стоимость, которая в несколько раз превышает цену спиралевидных аналогов. Выбирать все равно потребителю, поэтому решать хорошо это или плохо не нам.
Кроме стеклокерамических изделий существуют еще менее пожароопасные нагревательные элементы – металлокерамика. Данный элемент состоит из нихромовой проволоки, которая помещается в керамический корпус.
Элемент обогревателя, имеющий вид тэна – это трубка из кварца или металла, которая вмещает в себя графит или проволоку с наполнителем из марганцевой окиси или кварцевого песка. Принцип работы такого обогревателя заключается в постепенном и равномерном нагреве наполнителя, что в свою очередь способствует снижению нихромового материала в два раза. Именно из-за этого тепловентилятор может работать намного дольше приборов со спиральной нагревательной системой.
В строении тепло нагревателя такого рода существует два вида вентиляторов:
- Осевые;
- Тангенциальные.
Первые имеют привычный для многих вид – небольшие лопасти вокруг осевого центра. Недостатком такого элемента является повышенный уровень шума.
Вторые вентиляторы похожи на конус, имеющий по всему основанию небольшие лопасти, установленные параллельно друг к другу.
И помните, выбирая тепловентилятор, обращайте внимание на наличие режимов нагрева, чем их больше, тем прибор лучше покажет себя в работе
Классификация тепловентиляторов
Тепловентиляторы классифицируют по трем основным признакам: сфере применения, способу монтажа и назначению. Рассмотрим их более подробно.
Мобильные
Мобильные тепловые вентиляторы могут устанавливаться в любом месте помещения.
К передвижным (мобильным, носимым) устройствам относятся комбинированные устройства и модели настольного исполнения.

Настольный тепловентилятор

Напольный тепловентилятор
Стационарные

Данная группа включает в себя приборы со следующими вариантами установки:
- Напольные. Устройства напольного исполнения характеризуются наличием опорной конструкции, которая позволяет делать забор воздуха непосредственно через нижнюю решетку в корпусе устройства. Некоторые модели оснащаются поворотным механизмом для лучшего распространения тепла по помещению.
- Настольные. Данный тип установки предполагает небольшие габариты и массу прибора.
- Настенные чаще всего имеют горизонтальную ориентацию и могут оснащаться поворотными шторками, которые направляют нагретый воздушный поток в определенную точку помещения. Могут использоваться в качестве тепловой завесы. Чаще всего, оснащаются блоком ДУ.
- Потолочные. Приборы данного исполнения оснащаются специальными креплениями, которые позволяют монтировать устройство на различных перекрытиях. Характерной особенностью является возможность направления воздушных потоков по всем направлениям одновременно. Могут оснащаться дистанционным управлением.
- Комбинированные тепловентиляторы могут сочетать в себе все конструктивные особенности, характерные для приборов различного типа монтажа.
По сфере применения
Все тепловентиляторы можно условно разделить на две большие группы:
- Промышленные. Промышленные тепловентиляторы (далее, тепловые пушки) для нагрева воздушных масс могут использовать электричество, энергию от сгораемого газа, дизельного топлива, горячей воды. Тепловые пушки оснащаются датчиками контроля температуры, регулировкой мощности. Более «продвинутые» модели помимо базовых элементов имеют встроенный блок аварийного отключения, механизм поворота вентилятора, возможность подключения воздуховодов для обогрева нескольких помещений. Корпус промышленных образцов изготавливается преимущественно из металла с обязательной теплоизоляционной прослойкой, которая предотвращает травмы при эксплуатации приборов.
- Бытовые. В бытовых моделях используются нагревательные элементы, которые работают от электричества. Мощность бытовых тепловентиляторов ограничивается возможностями силовых линий и поэтому редко превышает 2,5 кВт. Корпус устройств бытового назначения изготавливается из ударопрочного термостойкого пластика.

Тепловентиляторы бытовы
Тепловентиляторы промышленные
Расчет мощности и требования к установке
Перед тем, как выбрать необходимые материалы и приступить к сборке, определяют необходимую мощность устройства исходя из задач, которые оно выполняет. Для обогрева рабочего пространства или спального места направленным потоком воздуха без учета общей площади помещения подойдет маломощный переносной обогреватель. Если же стоит задача поднять температуру во всем помещении до уровня комфортной (18-21°C), то расчет делают исходя из соотношения 40 Вт мощности обогревателя на 1 м³ объема комнаты.
Учитывая, что самодельная пушка разогревает помещение неравномерно, рекомендуется устанавливать дополнительный обогреватель (или несколько) в разных концах комнаты. При этом рассчитанная мощность делится на количество отопительных приборов.
Также нужно учесть допустимую нагрузку на электрическую сеть. К бытовой сети с напряжением 220В можно подключить калорифер электрический мощностью не больше 6 кВт. Если необходима большая мощность, потребуется сеть с напряжением 380В или же обогреватель, работающий по другому принципу (самодельная газовая пушка или другой).
Фото котлов своими руками







































Также рекомендуем просмотреть:
- Вентилятор своими руками
- Прикормка своими руками
- Откатные ворота своими руками
- Ремонт компьютера своими руками
- Станок по дереву своими руками
- Столешница своими руками
- Брусья своими руками
- Лампа своими руками
- Установка кондиционера своими руками
- Отопление своими руками
- Фильтр для воды своими руками
- Как сделать нож своими руками
- Усилитель сигнала своими руками
- Ремонт телевизора своими руками
- Зарядное для аккумулятора своими руками
- Точечная сварка своими руками
- Дымогенератор своими руками
- Металлоискатель своими руками
- Ремонт стиральных машин своими руками
- Ремонт холодильника своими руками
- Антенна своими руками
- Ремонт велосипеда своими руками
- Сварочный аппарат своими руками
- Холодная ковка своими руками
- Трубогиб своими руками
- Дымоход своими руками
- Заземление своими руками
- Стеллаж своими руками
- Блок питания своими руками
- Светильник своими руками
- Жалюзи своими руками
- Светодиодная лента своими руками
- Нивелир своими руками
- Замена ремня ГРМ своими руками
- Лодка своими руками
- Как сделать насос своими руками
- Компрессор своими руками
- Усилитель звука своими руками
- Аквариум своими руками
- Сверлильный станок своими руками
Управление и функции
Простейшие модели оснащены механическими переключателями. Для регулировки требуется только повернуть ручку. Это очень удобно для тех, кто не дружит с современными технологиями. Например, для пожилых людей.
Более совершенные образцы оборудованы кнопками или сенсорами с дисплеем. Здесь же, как правило, поставляется пульт ДУ.
Назовем наиболее востребованные опции:
- регулятор мощности – есть даже в самых дешевых экземплярах и нужен для настройки интенсивности обдува;
- термостат – прибор с автоматическим поддержанием температуры на выбранном пользователем уровне;
- таймер – позволяет запрограммировать время включения и отключения;
- датчик опрокидывания – пригодится для обеспечения безопасности напольных и настольных изделий;
- защита от перегрева – отключает оборудование, если температура внутренних компонентов достигла критической отметки;
- защита от замерзания – автоматический прогрев устройства до +5 градусов Цельсия не дает агрегату выйти из строя из-за мороза.
Дорогой помощник способен взять на себя “обязанности” другой техники:
- вентилятор – ветродуй гоняет воздушные массы, не нагревая их;
- увлажнитель – корректирует сухость воздуха, возникшую в результате обогрева;
- и ионизатор – пространство наполняется полезными отрицательно заряженными ионами и очищается благодаря системе фильтров.
Как можно своими руками ремонтировать тепловентилятор
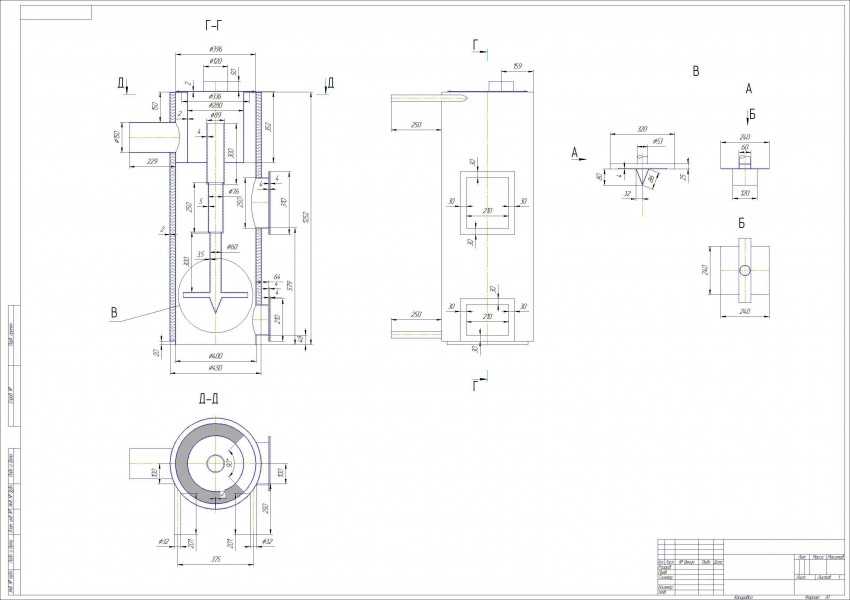
Тепловентилятор является обогревательным электрическим прибором, в котором нагревательный элемент сочетается со встроенным вентилятором. Это является отличным вариантом для вспомогательного отопления жилых домов и квартир, или самостоятельного отопления помещений офисного и производственного типа. Благодаря тепловентилятору воздух быстро нагреваться, и при этом не затрачивается много электроэнергии. Помимо этого, электрический прибор обладает достаточно простым устройством. Схема тепловентилятора может быть понятной любому, даже тому, кто имеет хотя бы малейшие знания и навыки в электрике. И в связи с этим, в случае неполадок, устранить поломки тепловентилятора не составит самостоятельно особого труда.
Об устройстве и схеме тепловентилятора
В устройстве любого обогревателя самое главное это его нагревательный узел. И тепловентилятор не исключение. В роли его нагревательного элемента, как правило, выступает спираль, выполненная из особого сплава металлов, у которой имеется высокое электрическое сопротивление или закрытый керамический тэн. По сути это нагрузка, которая подключатся к электросети через специально предназначенный термопредохранитель. В данном устройстве имеется биметаллический терморегулятор, который гарантирует защиту от перегрева и иные защитные элементы, наличие которых уже зависит от конкретной модели тепловентилятора.
В схему тепловентилятора так же включается в себя винт с электромотором, который быстро вращается и распределяет воздух, нагретый спиралью или тэном. Следует отметить, что керамический тепловентилятор является более надежным агрегатом, чем его спиральный аналог. Дело в том, что его нагревательный элемент защищен от внешнего воздействия и, проблемы и поломки тепловентилятора, как правило, могут быть из-за неприятностей терморегулятора или связаны с разрывом электросети. Как правило, электрическую схему тепловентилятора можно найти на упаковке, в инструкции к устройству или же непосредственно на его корпусе.
О неисправностях тепловентилятора и о способах их устранения
В процессе его эксплуатации тепловентилятора могут возникнуть неисправности, которые могут быть связаны как с заводским дефектом, так и с несоблюдением правил пользования устройством. Самыми распространенными неисправностями тепловентилятора выглядят следующим образом:
Во-первых, устройство работает, однако при этом не крутится вентилятор. Данная неисправность тепловентилятора может быть в связи с тем, что электромотор сгорел и необходимо его заменить. Помимо этого, могла накрутиться грязь и пыль на шкив вентилятора, и необходимо прочистить его.
Во-вторых, хотя мотор крутит вентилятор, однако воздух при этом не нагревается. Здесь самой вероятной причиной такого рода неисправности тепловентилятора может скрываться в том, что нагревательный узел сгорел. И если в устройстве со спиралью это просто видно, то в керамических тепловентиляторах потребуется специальный тестер для определения поломки.
В-третьих, тепловентилятор, после включения в розетку, просто не работает. Это говорит о вероятной проблеме, которая возникла в блоке управления и предохранителей, который включён в схему тепловентилятора. При такой неисправности тепловентилятора, очевидно, его стоит отдать в ремонт специалисту.
Выводы и полезное видео по теме
Здесь можно посмотреть обзор небольшого тепловентилятора, собранного из подручных средств:
В этом видео показана самодельная тепловая пушка для гаража. В качестве нагревательного элемента использованы спирали, снятые с электроплиты:
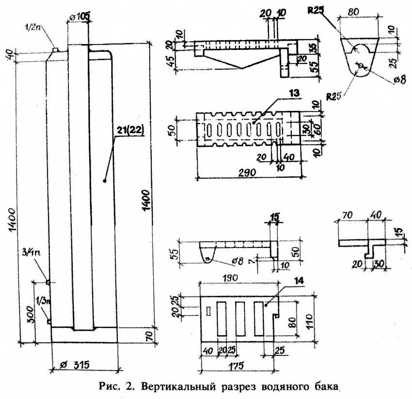
Вариант тепловентилятора, сделанного из отрезка асбоцементной трубы, представлен в этом ролике:
Тепловентилятор — устройство относительно простое, и именно это делает его таким удобным и надежным. Очевидно, что сделать такой нагревательный прибор самостоятельно не сложно
Однако не следует при этом забывать о мерах предосторожности, чтобы самодельное устройство не стало причиной травмы или пожара
Выводы и полезное видео по теме
Чтобы лучше представить процесс сборки всей конструкции, а также возможные варианты для корпуса и нагревательных элементов, предлагаем изучить подборку видеоматериалов с готовыми работами домашних умельцев.
Видео #1. Как сделать теплогенератор для обогрева гаража из нагревательных элементов от электроплиты:
Видео #2. Электрическая пушка из асбоцементной трубы и нихромовой спирали:
Видео #3. Теплопушка на 2 кВт из старого огнетушителя:
Как видите, изготовить своими руками электрическую пушку действительно несложно. Но если же вы не уверены в своих навыках работы с электрической частью, лучше посоветоваться с опытным электриком или купить готовый прибор.
Если у вас есть рекомендации или возникли вопросы в ходе ознакомления с материалом, оставляйте посты в расположенном ниже блоке. Комментируйте, пожалуйста, представленный нами материал, размещайте фото по теме. Возможно, ваши советы будут полезны посетителям сайта.
Выводы и полезное видео по теме
Предлагаемые видеоролики представляют сравнительные обзоры тепловентиляторов от их продавцов. Они покажут работу обогревателей на реальных примерах и позволят оценить их внешний вид в домашней обстановке.
Ассортимент дизайнерских обогревателей Stadler Form:
Особенности эксплуатации компактных тепловентиляторов:
Обзор различных воздушных обогревателей:
https://youtube.com/watch?v=QyOWDiKHdYc
Выбор тепловентилятора – задача непростая, особенно при покупке устройства средней и премиумной ценовой категории. Если отдать предпочтение менее дорогим моделям с широким функционалом, то можно наткнуться на низкое их качество.
Следование предложенным советам поможет разобраться, какой тип тепловентилятора лучше приобрести для конкретных задач, не потратив при этом деньги зря.
Используете для обогрева тепловентилятор? Расскажите, какую модель вы приобрели и какие параметры были важны для вас при покупке? Добавляйте фото своего тепловентилятора, пишите свои рекомендации в блоке комментариев – ваш опыт пригодится людям, которые сейчас как раз подбирают тепловентилятор для своего дома.








































