Особенности приборов для анализа газа
Газоанализатор — это прибор для определения количественного и качественного состава газовой смеси. Так говорит наука. Широкое распространение получили ручные абсорбционные анализаторы, в которых реагенты постепенно поглощают составляющие газа. Автоматические устройства в постоянном режиме определяют физические и физико-химические величины смесей и их компонентов.
Анализаторы газа делят на 3 группы. Все приборы действуют на физических методах анализа, а различие выражается в возможности учитывать химические процессы.
Сигма-03 — стационарный многоканальный анализатор с отдельными блоками и модулями, среди которых инфоблок СИГМА-03.ИПК, в комплекте также идут выносливые датчики в количестве до 8
Приборы 1-го типа мониторят в том числе сопутствующие химические реакции. Анализаторы определяют изменения в давлении топливной смеси и ее объеме после химического взаимодействия между составляющими.
Газоанализаторы 2-го типа выдают показатели физического анализа, который распространяется на хроматографические, фотоионизационные, электрохимические, термохимические и другие физические и физико-химические процессы.
Устройства 3-го типа работают только по принципу физического анализа. Методы измерения у них бывают магнитные, денсиметрические, термокондуктометрические и оптические.
Приборы для анализа газовых смесей также классифицируют:
- по назначению;
- по числу измерительных каналов;
- по количеству измеряемых компонентов;
- по конструкции;
- по функционалу.
Стоит подробнее знать об устройствах, различающихся по последнему признаку. Газоанализаторы выполняют функции обычных измерительных приборов, а также сигнализаторов, течеискателей, индикаторов.
Условия для проведения работ
Первым делом обеспечивают безопасность. Для поверки подходят только те помещения, где есть приточно-вытяжная вентиляция. После выполнения этого требования проверяют содержание вредных веществ в рабочей зоне предприятия, а норму указали в ГОСТ 12.1.005.
Владелец предприятия отвечает за безопасность в помещении для поверки, для каждого вида взрывоопасного газа есть допустимая концентрация в воздухе
Сотрудников защищают от ударов электричеством — исходя из ГОСТ 12.2.007.0 и по остальным требованиям из правил техники безопасности. Использование газовых смесей в баллонах нормируют ПБ 03-576-03, они же — Правила устройства и безопасной эксплуатации сосудов, работающих под давлением.
Для проведения поверки придется соблюсти такие требования и ограничения:
- напряжение в 220 В;
- расход ПГС на уровне 0,18—0,35 дм³/мин;
- атмосферное давление не ниже 84 кПа и не выше 106;
- относительная влажность воздуха в пределах 30—80 %;
- температура окружающей среды от +15 до +25 °C.
Поверку проводят только аттестованные сотрудники по средствам измерения величин по ПР 50.2.012-94. Прежде чем сделать свою работу, они должны прочитать руководство к газоанализатору, а также поработать с приборами.
В процессе специалист будет вести протокол и вписывать следующие данные:
- номер документа;
- дату;
- имя владельца газового анализатора;
- номер поверяемого устройства;
- показания прибора и параметры погрешностей.
В итоге владелец измерителя получит подписанное свидетельство с отметкой «Годен», но если с качеством прибора не повезет — то извещение с записью «Не годен».
Представители Центра стандартизации и метрологии сразу же прекратят поверку, если получат неудовлетворительный результат по вариации показаний, основной или абсолютной погрешности, времени срабатывания сигнализации.
Акт о поверке должен подтвердить пригодность изделия, а также засвидетельствовать соответствие методике для конкретного газоанализатора, с указанием его наименования и серийного номера
Оборудование для учета топлива перед поверкой должно иметь информационный блок, зарядник и паспорт. То же касается акта о последней поверке, если ее проводили, а также сменных кассет и выносных зондов, если таковые присутствуют.
I—
J


в)
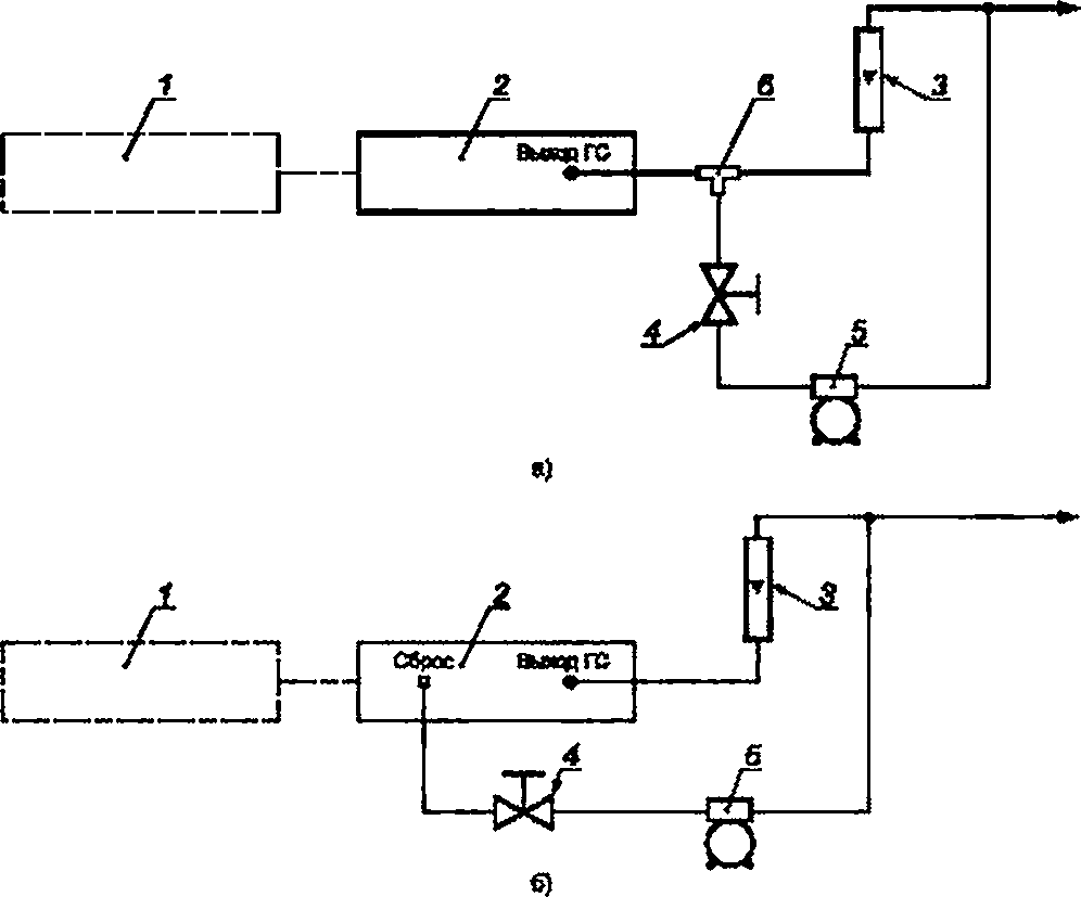
1 — генератор нулевого воздуха (используется в комплекте с калибратррои газовых смесей); 2 — генератор озона или калибратор газовых спесей. 3 — насадка для подачи ГС на поверяемый газоанализатор: 4 — поверяемый газоанализатор
Рисунок Б.З — Газовая схема для подачи ГС на газоанализаторы с диффузионным отбором пробы (а — для генераторов или калибраторов без выхода сброса излишков ГС. 6 — для генераторов или калибраторов с выходом сброса излишков ГС)
11
ГОСТ Р 8.924—2016

> — генератор нулевого воздуха (используется в комплекте с калибра торой газовых смесей); 2 — генератор озона или калиб ратор газовых смесей: 3 — ротаметр: 4 — вентиль тонкой регулировки: 5 — вспомогательный побудитель расхода: б — трой
ник из фторопласта или стекла
Рисунок Б.4 — Газовая схеме для установки расходе через насадку для подачи ГС для газоанализаторов с диффузионным отбором пробы (в — для генераторов или калибраторов без выхода сбросе излишков ГС. б — для генервторов или калибраторов с выходом сброса излишков ГС)
12
ГОСТ Р 8.924—2016
Приложение В
{рекомендуемое)
Форма протокола поверки газоанализаторов
Протокол поверки
№___от_
1 Наименование, тип. модификация_
2 Заводской номер_
3 Дата выпуска_
А Регистрационный номер в Федеральном информационном фонде по обеспечение единства измерений
5 Владелец_
6 Наименование нормативного документа по поверке
7 Средства поверки:_
в Вид поверки (лервичная/периодичвская)
(нужное подчеркнуть)
9 Условия поверки:
• температура окружающего воздуха_
• относительнаяелажносгьвоздуха_
• втмосферноедавлвнне_
Ю Результаты проведения поверки_
Ю.1 Результаты внешнего осмотра_
10.2 Результаты опробования_
Результаты проверки объемного расхода ГС1>_
Результаты подтверждения соответствия ПО_
Ю.З Результаты определения метрологических характеристик 10.3.1 Определение основной погрешности
|
Диапазон измерений массовой концентрации (объемной доли) озона, мг/м^илн**) |
Пределы допускаемой погрешности изыеремиа массовой концентрации {объемной доли) озона е ГС |
Действительное значение массовой концентрации {объемной доли) озона в (-Й ГС. мг/м* |
Измеренное значение массовой концентрации (объемной допи) озона при подаче ий ГС. мгЬг* (мм*1) |
Значение погрешности, полученное при поверке |
|
|
абсолютной |
относительной |
||||
Приводят для газоанализаторов со встроенным побудителем расхода.
13
ГОСТ Р 8.924—2016
Вывод__
Заключение_. зав. N»__
{наименование, тип. модификация СИ)
соответствует (не соответствует) предъявляемым требованиям и признано годным (негодным) к применению.
Поверитель_ _
(подпись) (инициалы, фамилия)
Выдвно свидетельство о поверке_от__
(выдано извещение о непригодности_от__)
14
ГОСТ Р 8.924—2016
Библиография
ШДЕК.421322.002ТУ
ТУ 25-1894.003-90
ТУ 6-21-5-82
Приказ Ростехнадзора от 25 марта 2014 r.Ns 116
(5) Р 50.2.077—2014
Приказ Министерства промышленности и торговли РФ от 2 июля 2015 г. № 1615
Расходомеры газа «Поток». Технические условия Секундомеры механические. Технические условия Газы поверочные нулевые. Воздух. Технические условия Об утверждении федеральных норм и правил в области промышленной безопасности «Правила промышленной безопасности опасных производственных объектов, на которых используется оборудование, работающее под избыточным давлением»
Государственная система обеспечения единства измерений. Испытания средств измерений в целях утверждения типа. Проверка защиты программного обеспечения
Об утверждении Порядка проведения поверки средств измерений, требований к знаку поверки и содержанию свидетельства о поверке
15
ГОСТ Р 8.924—2016
УДК 681.2.089:006.354 ОКС 17.020
Ключевые слова: газоанализаторы озона, методика поверки
Редактор /7.6. Чернышова Технический редактор в.Ю. Фотиооа Корректор П.С. Лысенко Компьютерная верстка И.А Нвлеоконои
Сдано в набор 02.09.2016. Подписано в печать 12.09.2016 Формат 60 ■ 64 Гарнитура Ариап. Уел. печ л. 2.32. Уч.-иад. л. 1.65. Тираж 36 ака. За*. 2143.
Подготовлено на основе электронной версии, предоставленной разработчиком стандарта
Издано и отпечатано во ФГУП «СТАНДАРТИМФОРМ». 123995 Моема, Гранатный пер.. 4.
Поверка газовых анализаторов в России
Измерительные приборы, подпадающие под государственный надзор, осматривают на соответствие метрологическим характеристикам. Простым гражданам и предпринимателям следует знать, что с 2008 года деятельность в этой сфере регламентирует Федеральный закон № 102 «Об обеспечении единства измерений». Газовый анализатор или другое устройство учета поверяют с определенной частотой, обычно 1 раз в год.
Подготовка к поверке газового измерителя
Поверочные газовые смеси (ПГС) в баллонах выдерживают в течение суток в помещении для поверки. Сам газоанализатор хранят там по крайней мере 2 часа. Одновременно готовят средства осмотра, о чем идет речь в эксплуатационной документации.
Исходя из документов и руководства по эксплуатации конкретного изделия, проверяют комплектацию анализатора, после чего устройство готовят к работе. Подготовительные меры — составляющая методики поверки для любого вида газоанализатора, в технической документации она соответствует 5-му пункту.
Поверочные газовые смеси есть в большом разнообразии на рынке, но для поверочных работ используют только государственные стандартные образцы (ГСО)
Суть поверки сводится к тому, что ПГС пропускают через газоанализирующее оборудование с нужной скоростью. При количестве баллонов больше чем 1 применяют многоходовый кран. Состав переключают простым поворотом крана.
Последовательность осмотра оборудования
Поверку начинают с внешнего осмотра, и во внимание берут видимые проблемы и повреждения. Смотрят также на четкость надписей на передней панели, состояние резьбы на штуцерах
По инструкции на конкретный газоанализатор проводят проверку на исправность.
В процессе газовая смесь будет проходить через редуктор и попадать в линию к датчику. Проверка подойдет к логическому завершению, когда специалист определит основные показатели метрологических характеристик: погрешности в измерениях, а также вариации показателей при разном содержании газов.
Поверяющая организация выдаст свидетельство или оставит на устройстве клеймо. Из-за особенности конструкции некоторых газоанализаторов отметку порой ставят прямо на бумажный документ.
Различают 5 видов поверки:
- первичная;
- периодическая;
- внеочередная;
- инспекционная;
- экспертная.
Первичную реализуют перед началом эксплуатирования анализатора. Также после ремонта владельцам придется повторить процедуру.
Периодические проверки выполняют по плану. Графики указывают в документации, а составляют эти расписания метрологические службы предприятий. После того как план одобрит Росстандарт, его еще должен будет утвердить руководитель фирмы.
Для проведения поверки обращаются также в частные компании: последние идут навстречу по разным вопросам, а их данные могут пригодиться в спорных ситуациях
Внеочередная поверка понадобится в случае утери документа об осмотре оборудования, повреждениях или длительном простое устройства.
Также газовые анализаторы подлежат инспекционному осмотру. Это означает визит в рамках государственного метрологического надзора.
При разногласиях по метрологическим характеристикам прибегают к экспертной поверке. Ее может назначить прокуратура или суд, но иногда достаточно желания потребителя.
Нормативные ориентиры при поверке газоанализаторов
Приборы должны корректно работать при радиопомехах со значениями в пределах Норм 1-72-9-72. Что касается показателей самих газоанализаторов, то подпадать под нормирование при потребности может не только расход, но и скорость потока вместо него. Основную погрешность в случае чего заменяют на случайную и систематическую составляющие.
Метрологические нормы устанавливают в технических или стандартных условиях на определенный газоанализатор, в зависимости от сферы применения и с указанием условий для поверочных работ по ГОСТ 8.401-80. В нормальных условиях разность между крайними значениями измерений для допустимой основной погрешности выделяют в пределах 25 %.
Поверка сигнализаторов загазованности в Севастополе
Компания ЗАО «ЮСТИР» осуществляет поверку сигнализаторов загазованности, как на объекте, так и в специализированной лаборатории, согласно действующим методикам поверки.
Сигнализаторы загазованности предназначены для предупреждения утечек газа: метана пропана, оксида углерода и др., устанавливаются в помещениях котельных и ГРП. Как правило поверка сигнализаторов производится раз в год (в зависимости от модели межповерочный интервал может быть другой).
Цель поверки – выявить неисправный сигнализатор загазованности при помощи имитации до взрывных концентраций при помощи поверочно-газовых смесей (ПГС).
Выездная поверка- наши специалисты готовы выехать на объект с необходимым оборудованием для проведения поверки сигнализаторов загазованности по месту эксплуатации, произвести настройку и калибровку с применением поверочно-газовых смесей.
Поверка в лабораторных условиях
Наша компания производит настройку и ремонт в оборудованной лаборатории, имеет широкий спектр запасных частей для осуществления ремонта сигнализаторов загазованности как отечественного, так и импортного исполнения
В лаборатории соблюдаются все требования методики поверки, что крайне важно при настройке и калибровке, поверке сигнализаторов загазованности. При необходимости организация имеет большой обменный фонд поверенных сигнализаторов загазованности, что позволяет производить доставку в лабораторию для последующего ремонта прибора
Поверка газоанализаторов производится на месте установки на объекте заказчика. Поверка газосигнализаторов по угарному газу и метану (поверка датчиков загазованности) должна проводиться один раз в год.
Компания ЗАО «ЮСТИР» проводит комплекс работ по организации поверки, калибровки и ремонту сигнализаторов загазованности. Поверка сигнализаторов загазованности производится с выдачей свидетельств о поверке установленного образца. В стоимость входит полный цикл проведения робот по поверке сигнализаторов загазованности.
Обслуживание датчиков загазованности. Требования к обслуживанию, ремонту, поверке сигнализаторов загазованности (поверке газосигнализаторов, поверке газоанализаторов).
• Обслуживание и ремонт приборов контроля проводятся в порядке и в сроки, предусмотренные технической документацией завода-изготовителя на эти приборы.
• Тестирование и проверки приборов должны осуществляться по методике завода-изготовителя.
• Один раз в год необходимо осуществлять государственную поверку газосигнализаторов, газоанализаторов, сигнализаторов контрольными смесями на уровнях срабатывания. В том числе должна производится поверка датчика угарного газа и поверка датчика метана.
• Ремонт и обслуживание приборов контроля должны осуществляться обученным персоналом, прошедшим аттестацию в квалификационной комиссии специализированной организации или завода-изготовителя. Участие представителя органа Ростехнадзора России в работе комиссии по аттестации названного персонала не обязательно.
• По окончании срока службы прибора (датчика) контроля загазованности проводится его диагностика в целях установления возможности дальнейшей эксплуатации или замены.
• Персонал котельной должен ежесменно удостоверяться в работоспособности приборов контроля с отметкой в вахтенном журнале.
Многие предприятия, эксплуатирующие топливоиспользующее тепловое оборудование, уже на стадии проекта требуют наличия в цехе достаточного количества сигнализаторов на СО и СН4 для гарантии безопасности работы агрегатов и обслуживающего персонала.
Датчик загазованности, газосигнализатор, газоанализатор, сигнализатор токсичных газов, сигнализатор горючих газов, обслуживание датчиков загазованности.
Вполне вероятно, что вы сталкивались с государственным контролем за газовыми приборами. Возможно, вы предприниматель, и для вас имеют значение даже самые незначительные аспекты, связанные с расходами? Мы полагаем, что правила поверки газоанализаторов знает очень малое количество населения, а между тем, неудачно выбранный прибор в итоге обойдется в десятки тысяч рублей переплаты.
Мы попытались собрать всю полезную информацию воедино. Речь идет о всех ключевых моментах: нормах, периодичности, этапах поверок. Вы основательно подойдете к выбору газоанализатора, если прочтете изложенный нами материал.
Анализаторы газа подпадают под государственное регулирование, так как обеспечивают безопасность на объектах из разных сфер деятельности человека. Касается это в первую очередь поверок, которые выполняют, чтобы убедиться в соответствии метрологическим характеристикам. Давайте вместе разберемся, как проводятся поверочные мероприятия.
Техническое обслуживание системы контроля загазованности (сигнализаторы загазованности)
Техническое обслуживание системы контроля загазованности у компании ООО «Технологии контроля» обеспечит надежную и безопасную эксплуатацию Вашей котельной. Персонал, проводящий обслуживание системы контроля загазованности, обязательно аттестован согласно требованиям ФЗ №116 от 22.06.2007 и ПБ 12-529-03 п. 5.7.10, п. 5.7.11, копии протоколов аттестации прилагаются к договору по техническому обслуживанию. В состав работ по обслуживанию системы контроля загазованности:
– проверка срабатывания датчиков системы контроля загазованности с помощью контрольных газовый смесей с составлением актов
Правила выбора
Чтобы правильно выбрать прибор для контроля воздуха рабочей зоны, нужно, прежде всего, исходить из перечня примесей, которые нужно определять. Кроме того, имеет значение класс опасности примесей: есть модификации устройств для взрывоопасной и взрывобезопасной среды.
Образцы моделей промышленных газоанализаторов представлены на фото:

В зависимости от поставленных задач – общий это контроль, локальный или индивидуальный, выбирают стационарные, переносные либо портативные модели газоанализаторов. И, наконец, устройства с разным принципом действия имеют присущие им преимущества и недостатки.
Так, термохимические устройства имеют низкую стоимость, но при этом непродолжительный срок службы датчика газоанализатора, невысокое быстродействие и чувствительность, небольшой диапазон измеряемых концентраций. Термохимические анализаторы используют преимущественно для контроля воздуха производственной зоны на содержание горючих газов, например, СО.
Электрохимические анализаторы занимают среднюю ценовую позицию. У них высокая чувствительность, широкий диапазон определяемых веществ, низкое потребление энергии. Вместе с тем, они имеют крупные габариты, сложны в обслуживании.
Оптические приборы имеют прекрасное быстродействие, высокую избирательность и чувствительность. Диапазон их измерения охватывает практически весь спектр возможных загрязнений. При этом стоимость оптических газоанализаторов – самая высокая.
Методики поверки (калибровки) средств измерений давления и вакуума
41. ГОСТ 8.053-73
ГСИ. Манометры, мановакуумметры, вакуумметры, напоромеры, тягонапоромеры и
тягомеры с пневматическими выходными сигналами. Методика поверки.
42. ГОСТ 8.092-73
ГСИ. Манометры, вакуумметры, мановакуумметры, тягомеры, напоромеры и
тягонапоромеры с унифицированными электрическими (токовыми) выходными
сигналами. Методика и средства поверки.
43. ГОСТ 8.146-75
ГСИ. Манометры дифференциальные показывающие и самопишущие с интеграторами ГСП.
Методика поверки.
44. ГОСТ 8.240-77
ГСИ. Преобразователи измерительные разности давлений ГСП с унифицированными
токовыми выходными сигналами. Методы и средства поверки.
45. ГОСТ 8.243-77
ГСИ. Преобразователи измерительные разности давлений ГСП с унифицированными
выходными параметрами взаимной индуктивности. Методы и средства поверки.
46. РД 50-213-80. Правила измерения расхода
газа и жидкости стандартными сужающими устройствами.
47. РД 50-411-83. Методические указания.
Расход жидкостей и газов. Методика выполнения измерений с помощью специальных
сужающих устройств.
48. МИ 333-83. Преобразователи
измерительные «Сапфир-22». Методические указания по поверке.
49. МИ 1348-86 ГСИ. Манометры
деформационные показывающие и преобразователи давления измерительные ГСП.
Методика поверки.
50. МИ 1997-89 ГСИ. Преобразователи
давления измерительные. Методика поверки.
51. МИ 2102-90 ГСИ. Манометры и вакуумметры
деформационные образцовые с условными шкалами. Методика градуирования.
52. МИ 2145-91 ГСИ. Манометры и вакуумметры
деформационные образцовые с условными шкалами. Методика поверки.
53. МИ 2124-90 ГСИ. Манометры, вакуумметры,
мановакуумметры, напоромеры, тягомеры, тягонапоромеры показывающие и
самопишущие. Методика поверки.
54. МИ 2189-92 ГСИ. Преобразователи разности
давлений. Методика поверки.
55. МИ 2203-92 ГСИ. Методики поверки
средств измерений давления.
56 МИ 2204-92 ГСИ. Расход, масса и объем
природного газа. Методика выполнения измерений с помощью сужающих устройств.
57. Инструкция 7-63. Инструкция по поверке тягомеров,
микроманометров и дифференциальных манометров.
Назначение, основные элементы, виды, принцип действия
Газоанализаторы – устройства, с помощью которых определяется состав газовой смеси как качественный (какие именно газы присутствуют), так и количественный (сколько определённых газов находится в смеси).
В первую очередь газоанализаторами оснащаются пожаро-, взрыво- и химически опасные производства, а также шахты, где имеются скопления рудничного газа (метана).
Обязательно применяют газоанализаторы перед тем, как проводить огневые работы в подвалах и колодцах, а также чтобы аттестовать рабочие места на вредных производствах.
Применение для индивидуальной защиты
Портативные газоанализаторы небольших размеров, которыми снабжаются работники опасных производств, можно считать первичными средствами индивидуальной защиты.
Они своевременно сигнализируют о повышенном содержании вредных примесей в воздухе, при котором следует покинуть рабочую зону либо применить средства защиты органов дыхания. Прибор-газоанализатор представлен на фото:

Способ работы устройства
Ручные анализаторы, которые приводятся в действие оператором, основаны на том, что отдельные газообразные компоненты поглощаются специальными реагентами.
Воздух производственной зоны пропускается через поглотитель, который связывает определённый газ. После этого первоначальный объём смеси уменьшается. По уменьшению объёма рассчитывается, сколько газа, связанного поглотителем, там изначально содержалось. В зависимости от квалификации оператора, измерение занимает от пяти до десяти минут.
Работа автоматических анализаторов непрерывного действия основана на физических и химических процессах, а также их сочетании.
Физический принцип измерения результата вспомогательной химической реакции обеспечивает работу объёмно-манометрических или химических анализаторов. В этих приборах измеряется, насколько изменился объём либо давление смеси газов после того, как её компоненты вступили в определённые химические реакции.
Физико-химический принцип действия, совмещённый с физическим, имеют следующие устройства:
- Хроматографические. В них проба разделяется за счёт того, что разные газы проходят поглотительный слой каждый со своей индивидуальной скоростью. Результат разделения фиксируется, проводится автоматический расчёт.

Термохимические. В этих устройствах проходит окисление (с дополнительными катализаторами) составных частей газовоздушной смеси. При окислении выделяется тепло; температура измеряется терморезистором. По степени нагрева определяется концентрация компонентов.

Фотоколориметрические. В них содержание компонентов измеряется по результату их цветной реакции с веществами-индикаторами.

Электрохимические газоанализаторы определяют концентрацию газа в смеси по величине электропроводности раствора, который поглощает этот газ.

Чисто физические принципы работы имеют следующие автоматические газоанализаторы:
- Термокондуктометрические. При изменении состава газовой смеси меняется её теплопроводность. Это изменение регистрируется терморезисторами.

Денсиметрические. Измеряют плотность газовой смеси, которая меняется в зависимости от качества и количества газов, входящих в неё.

Магнитные. Применяются для измерения концентрации кислорода в воздухе производственной среды по его магнитным свойствам.

Оптические. Анализируют состав газовой смеси по её оптической плотности, а также спектрам испускания или поглощения.

Разновидности
Кроме различия по способу действия (ручные или автоматические) и принципу работы, газоанализаторы для воздуха рабочей зоны подразделяют на типы:
- Стационарные. Такие приборы автоматически отслеживают концентрацию газов. В промышленном исполнении, если допустимое содержание опасной газовой составляющей превышено, они подают световые и звуковые сигналы, а также включают вентиляцию и прочие системы безопасности;
- Переносные. Предназначены для определения концентрации газовых примесей в разных местах производственной зоны;
- Портативные. Индивидуальные устройства. Имеют малые габариты и вес, измеряют концентрацию вредных примесей непосредственно там, где находится работник.
Кроме того, по количеству измеряемых примесей эти приборы бывают одно- и многокомпонентными, а по числу каналов (датчиков или точек отбора пробы) – одно- и многоканальными.
Лаборатория поверки газоанализаторов
Метрологическая служба КПО-Электро в течение многих лет предоставляет услуги по первичной и периодической поверке газоаналитического оборудования и калибровке всех видов приборов, включающих в себя стационарные, переносные и портативные газоаналитические средства измерений (газоанализаторы, газосигнализаторы, детекторы и датчики) для контроля содержания концентрации одного или нескольких веществ в воздухе или газовых средах.
Компания имеет собственную лабораторию, оснащенную новейшим оборудованием, в которой работают специалисты, имеющие многолетний опыт работы с газоаналитическими приборами любой сложности.
Метрологическая служба компании КПО-Электро оказывает полный спектр услуг для пользователей отечественных и импортных производителей, таких как:
- Draeger/Дрегер (различные модели серий Pac, X-am, Polytron, PIR, PEX и др.)
- Honeywell Analytics (BW GasAlert, ToxiRAE Pro, MultiRAE, MultiRAE Pro, MultiRAE Lite, QRAE 3, Searchpoint Optima Plus, XNX, Аpex, Satellite ХТ и др.)
- Электронстандарт-Прибор (СГОЭС, ССС-903 и др.)
- Аналитприбор (АНКАТ-7664Микро, СТМ-30М, ДАХ, ДАК и др.)
- Oldham (OLC/OLCT, CTX, MX 2100, BM 25 и др.)
- Net Safety Monitoring (Emerson) (Millennium II, Millennium II Basic)
- MSA (ULTIMA X, PrimaX, ALTAIR и др.)
- Эрис (ПГ ЭРИС-411, ПГ ЭРИС-414, ДГС ЭРИС-210, ДГС ЭРИС-230 и др.)
- Detcon (IR-700, TP-700, FP-700 и др.)
- Seitron (RGD, SGY, SGW и др.)
- Bertoldo (Domino)
- НПП “Дельта” (ИГС-98, Сенсис)
Поверка газоанализаторов и калибровка стационарных и переносных газоанализаторов осуществляется исключительно с применением методик, одобренных и разрешенных для использования со стороны профильных организаций государственного контроля.
Результатом поверки средства измерения является предоставление заказчику поверенного газоанализатора, допущенного к применению, с выдачей свидетельства о поверке установленного образца. В случае выявления несоответствия утвержденным техническим характеристикам возможно осуществление настройки и/или ремонта изделия.
Быстро, надежно, недорого…
Компанией «КПО-Электро» была разработана максимально удобная и продуманная схема работы, которая является абсолютно понятной, удобной и выгодной для заказчиков.
Работая с нами у вас всегда есть возможность:
- проведения срочной поверки газоанализаторов на вашей территории;
- выбора способа доставки приборов на поверку и возврата их на место эксплуатации;
- получения услуг персонального менеджера для согласования индивидуальных условий – стоимость и сроки поверки устройства;
- использовать уникальный программный комплекс нашей организации, который позволяет сократить время формирования заявки на поверку и получать оперативную информацию заказчику о ходе поверке.
Аттестат аккредитации
Услуги оказываются на основании аттестата аккредитации в области обеспечения единства измерений на право выполнения работ (и оказания услуг) по поверке средств измерений № RA. RU. 311968 от 09 декабря 2016 г., выданный Федеральной службой по аккредитации (РОСАККРЕДИТАЦИЯ).
Что нужно знать о поверке газоанализаторов
Поверка газоанализаторов (в некоторых случаях калибровка газоанализаторов) – комплексное мероприятие, целью которого является определение технических, метрологических и прочих характеристик этих устройств и сравнение их с эталонными показателями. Поверка газоанализаторов осуществляется метрологическим центром «Автопрогресс-М» на профессиональной основе, в сжатые сроки и по выгодным для заказчиков ценам. В качестве помещений для проведения испытаний используются идеально оборудованные лаборатории, в которых есть все оснащение, необходимое для корректного осуществления вышеупомянутой процедуры.
Поверка газоанализаторов. Особенности процесса
Современный газоанализатор представляет собой измерительное устройство, основным предназначением которого является максимально точное и в высшей мере подробное определение состава смесей различных газов. На сегодняшний день активно применяются как газоанализаторы ручного действия, так и те их вариации, которые функционируют в автоматическом режиме.
Поверка газоанализаторов осуществляется согласно методикам, утвержденным Государственной метрологической службой. В подавляющем большинстве случаев калибровка газоанализаторов проводится один раз в год, однако в некоторых ситуациях межповерочный интервал может быть сокращен: как по инициативе владельцев такого оснащения, так и по требованию государственных контролирующих структур.
Процесс поверки газоанализаторов регулируется существующей нормативной документацией Российской Федерации. Основные положения касательно проведения вышеупомянутого процесса указаны в Законе РФ «Об обеспечении единства измерений».
Калибровка газоанализаторов традиционно осуществляется в несколько этапов, среди которых: осмотр оборудования, тестирование оснащения в целом и его составляющих элементов в частности, настройка приборов. В случае успешного прохождения процедуры поверки газоанализаторов информация об этом вносится в официальную базу данных, а устройства могут использоваться в течение года, до момента проведения следующей их поверки.
Методика поверки манометров
Существует довольно большое количество различных технологий, которые позволяют определить состояние измерительного устройства. Поверка технических манометров должна проводится исключительно профессионалами, так как допущенные ошибки могут стать причиной снижения точности снимаемых показателей. Оказывать услуги должны исключительно специалисты, получившие соответствующее разрешение.
Выделяют несколько наиболее распространенных технологий поверки:
При применении гидравлического пресса. В этом случае измерительное устройство устанавливается между двумя элементами прибора. Стоит учитывать, что подобная технология проводимых измерений характеризуется низкой погрешностью. Существует довольно большое количество различных видов гидравлических прессов, все они характеризуются своими определенными особенностями. Подобная конструкция встречается исключительно в специализированных магазинах, для применения следует обладать определенными навыками и знаниями.
При применении метрологического стенда. В этом случае основные показатели снимаются с минимальной погрешностью в установленных контрольных точках. Подобный прибор создает требующееся давление в системе. Среди особенностей использования метрологического стенда отметим то, что погрешности в измерении довольно высокие. Однако конструктивные особенности позволяют существенно расширить область применения устройства, к примеру, в случае высокого давления в системе.
При использовании специального калибратора. Этот прибор можно сегодня приобрести в специализированном магазине для самостоятельной поверки устройства
При выборе калибратора уделяется внимание тому, в каком диапазоне показателей он может применяться. Большая часть моделей работает по одинаковой схеме.

Устройство характеризуется высокой мобильностью и может применяться без особой подготовки.


















































