Возможные поломки
Как и любая техника, обратноосмотическая помпа может сломаться. Если поломка небольшая, есть шанс починить ее самостоятельно.
Частые проблемы в подобных помпах и их устранение:
| Поломка | Вероятная причина | Заменяемая деталь |
| Посторонние шумы при работе | Износ подшипников | Подшипники |
| Неравномерный износ коллектора | Якорь или электрическая часть мотора | |
| Сильная выработка эксцентрика на валу двигателя | Головка помпы | |
| Перегрев мотора | Установка помпы избыточной мощности | Само напорное оборудование |
| Износ щеток | Щетки | |
| Грязь в коллекторе | Якорь. Возможно, поможет чистка коллектора | |
| Межвитковые замыкания в обмотке якоря | Якорь или двигатель в сборе | |
| Падение мощности | Сгорание обмоток | Двигатель или блок питания |
Обратноосмотический фильтр является самым эффективным. Он способен очищать жидкость от 99 процентов, делать воду вкусной и полезной. Производительность обратноосмотических установок напрямую зависит от качества диафрагмы и напора подаваемого на фильтрационное устройство водного потока. Если давление в водопроводной магистрали невысокое, о нормальном функционировании очистительного оборудования говорить не приходится. Чтобы вернуть производительность, необходима установка повышающей помпы.
Принцип работы и назначение системы
Обратным осмосом называют процесс, в котором поток воды разделяется на две неравные части с различной плотностью. Одна часть представляет собой чистую воду, а вторая – воду с большим количеством загрязнений.
Для такого разделения используется специальная мембрана с очень мелкими отверстиями. Их размер составляет 0,0001 микрон.
Вода, проходя через картриджи предварительной очистки, освобождается от взвешенных частиц, остатков хлора, органических соединений.
Попадая в обратноосмотическую мембрану, вода проходит через ее полупроницаемые слои и разделяется дальше на два потока.
Один из них, концентрат, сбрасывается в канализацию, а второй, пермеат, попадает в накопительный резервуар, который компенсирует неспособность мембраны обеспечить в проточном режиме достаточную для пользователя продуктивность.
Через поры мембраны могут проникать только частицы, размер которых соответствует размеру молекулы воды или меньше.
Крупные частички через мембранный барьер не проникнут, но они способны засорить эти мелкие поры, поэтому перед тем, как подвергать воду процедуре обратного осмоса, ее необходимо подготовить.
Поры мембраны в 200 раз меньше за вирусы и в 4 тыс. раз меньше чем бактерии. Она пропускает через себя только молекулы воды и кислорода
Для механического удаления загрязнений используют два фильтра с отверстиями соответственно в пять и в один микрон. Между этими двумя фильтрами устанавливают еще один – с угольным наполнителем. Он задерживает молекулы различных химических веществ, растворенных в воде: железа, соединений хлора, тяжелых металлов и т.п.
Молекулы некоторых веществ по размеру меньше, чем молекулы воды. Если предварительная очистка отсутствует, они могут проникнуть сквозь мембрану и загрязнить воду.
Продукты, полученные в результате обратного осмоса, называют пермеат и концентрат. Последний – это та часть воды, в которой сконцентрированы загрязнения. Эта часть составляет обычно около 60-65% воды, она утилизируется в канализацию.
Обратный осмос используется для очистки воды на молекулярном уровне.
Пермеат – это очень чистая воды, степень очистки достигает 98%. Вместе с вредными загрязнениями мембрана и фильтры отсекают также многие полезные вещества, которые придают природной питьевой воде уникальный привкус и свойства. Чтобы устранить этот небольшой недостаток, пермеат пропускают через еще один фильтр.
Для обогащения воды полезными минералами, используют минерализатор. Биокерамический фильтр с турмалином позволяет приблизить структуру пермеата к естественному состоянию. Существуют также постфильтры со способностью подвергать воду ультрафиолетовому излучению.
Самый простой постфильтр содержит активированный уголь и кокосовую скорлупу. С его помощью пермеат подвергают дополнительной очистке и придают ему приятный природный вкус. При желании, от таких модулей можно отказаться, но тогда вода, полученная из системы обратного осмоса, будет не такой вкусной и полезной.
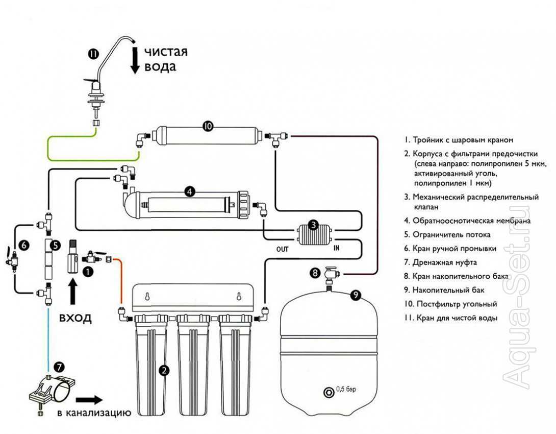
На этой схеме подробно отражен порядок подключения и функционирования системы обратного осмоса и обозначены все ее основные элементы
В базовой комплектацию входят необходимые элементы, которые могут обеспечить эффективную работу обратного осмоса.
Если же загрязненность воды превышает норму или система водоснабжения не способна обеспечить нормальную работу устройства, то его усовершенствуют с помощью дополнительного оборудования.
Разновидности осмотических систем
Ведущие компании – производители бытовых водоочистителей взяли на вооружение комплексные методы отделения примесей от Н2О, включающие стадию с обратным осмосом.
Изделия отличаются конструктивными особенностями, качеством мембранного материала, как следствие успешностью очистки.
Наиболее удачное сочетание важных параметров имеют несколько моделей.
Внимание! Для уменьшения нагрузки на модули мембранной очистки осмотического прибора желательно на входе в квартиру установить магистральный фильтр. Это увеличит срок бессменной эффективной работы картриджей.
DWM-70S
Фильтр представляет собой усовершенствованную конструкцию с верхним выводом дренажных вод. Компактный корпус с вмонтированным накопительным баком хорошо помещается под мойкой.
Фильтр может функционировать даже при низком (до 2 атм) давлении в водопроводной системе.

Прибор работает бесшумно, поставляет абсолютно чистую воду со скоростью 7,6 л/час. Для достижения оптимального солевого состава на поверхности корпуса размещен минерализатор.
Стоимость фильтра немного превышает 7500 руб.
DWM-201
Наиболее модернизированная модель с:
- встроенным насосом;
- накопительным баком;
- минерализатором.
Прибор может работать даже при давлении 0,8 атм в трубопроводной сети. Автоматическая система управления оснащена звуковым и световым индикаторами, которые предупредят о необходимости смены картриджей.

Производительность прибора равна 15,2 л/час. Полностью очищенная и обогащенная полезными солями кальция и магния вода поступает в накопительную емкость. Из надмембранного пространства в слив поступает концентрат с примесями, объем которого при самой грязной исходной воде составляет 1/3 от объема чистого потока. Стоимость модели приближается к 19000 руб.
DWM-101s Морион
Эргономичный корпус фильтра DWM-101s Морион имеет встроенный накопительный бак. Процесс благополучно осуществляется при минимальном значении давления в трубопроводе 2 атм.

Важно! Если в квартире очень жесткая вода и низкое давление в системе, в дополнение к фильтру нужно купить насос.
Прибор оснащен минерализатором, заключенном в последнем модуле. Насыщение воды полезными для организма солями происходит с постоянной интенсивностью на протяжении года эксплуатации. Производительность насоса равна 7,8 л/час. Стоимость равна 8700 руб.
DWM-102s Морион
Модель имеет небольшие размеры, в корпус встроена накопительная емкость. Прибор функционирует при минимальном давлении 2 атм в водопроводной сети.
ильтр работает со скоростью 15,6 л/час, рассчитан для обеспечения потребностей большой семьи или офисного коллектива. Минерализатор обеспечивает насыщение воды полезными для организма солями в требуемой концентрации.

При желании его можно заменить на обычный модуль для кондиционирования воды, удаляющий из нее остаточные запахи. Однако следует помнить, что длительное употребление полностью обессоленной воды вредно для здоровья. Стоимость приближается к 11000 руб.
Осмо 50 исп.5 с минерализатором
Модель Аквафор Осмо 50 исп.5 состоит из блока модулей механической, сорбционной, осмотической очистки закрепленных на одном коллекторе. Сверху на панели зафиксирован картридж для минерализации потока.

Насыщенная полезными солями вода накапливается в отдельно расположенном резервуаре объемом 10 л. Комплекс может работать при минимальном давлении 3,5 атм. Стоимость равна 7000 руб.
https://youtube.com/watch?v=BXhAZ8c9C6s
Преимущества осмоса
Популярность устройства обусловлена следующими факторами:
- Чистота – при изготовлении фильтров такого рода используются экологические материалы, поэтому можно не беспокоиться за здоровье представителей флоры и фауны в аквариуме. Кроме этого, в чистом резервуаре намного приятнее содержать рыб и растения.
- Качество очистки – фильтр справляется с очисткой стремительно и результативно, удаляя органические соединения, опасные для жизни примеси, и химические составляющие.
- Компактность – устройство отличается небольшими размерами, и удобно в использовании. Фильтрация совершается владельцев в несколько стадий.
Установка дополнительных приспособлений
Работу даже такого серьезного оборудования, как обратноосмотический фильтр, можно сделать более эффективной, установив дополнительные элементы.
Такие, как например:
- Регулятор давления и компенсатор гидроудара. Оборудование предназначено для защиты элементов водопровода от перепадов давления, превышения допустимых значений на входе в фильтрационную систему.
- Система защиты от протечек. Устанавливается перед фильтром и перекрывает воду в случае протечек и попадания на нее воды. Минимизирует риски и ограничивает размер нанесенного ущерба, но не исключает полностью возможность утечек.
- Нитратный префильтр. Используется для эффективного удаления нитратов, место монтажа согласовывается со специалистами.
- Ледогенератор. Подключается через тройник в разрыв соединительной трубки, ведущей к питьевому крану.
Перед установкой фильтра измеряют манометром давление в магистрали. При значениях больших, чем 6,6 атм., устанавливают редуктор, при меньших, чем 2,2 атм., устанавливают насос, который будет создавать больший напор. Для устройств, которые чаще всего используются чтобы улучшить функциональность обратного осмоса, далее приведено более подробное описание.
Элемент #1 — насос повышения давления
Мембранный фильтр, который является основой обратноосмотической системы, может полноценно функционировать только при определенном напоре воды.
Если максимальное давление не превышает 2,8 атм., то для нормальной работы фильтра необходимо дополнительно установить помпу.
Если приходится докупать оборудование, то лучше это делать у одного производителя и руководствоваться разработанными им схемами подключения.
Пример одной из возможных схем. Насос может размещаться в разрыв поводящей трубки перед первым префильтром, а также после второго или третьего
Устанавливают насос только в паре с датчиком регулировки давления, который отвечает за его включение при падении давления и выключение при его скачке до максимума.
Датчик монтируют перед накопительным резервуаром, в разрыв трубки. При плохом качестве водопроводной воды перед насосом устанавливают магистральный фильтр грубой очистки.
Закрепляют насос повышения давления на горизонтальной или вертикальной поверхности с помощью специального кронштейна и шурупов
Если существует опасность усиления напора воды в системе до 3—4 атм., то для предотвращения протечек перед насосом нужно установить специальный клапан понижения давления.
Элемент #2 — ультрафиолетовая лампа
Иногда в обратноосмотическом фильтре складываются благоприятные условия для бурного развития микроорганизмов в следствии повышения температуры воды или простоя системы в течение длительного времени.
Это приводит к обрастанию префильтров микроорганизмами, снижению напора и ухудшению производительности оборудования. И тогда для дезинфекции воды используют ультрафиолетовые фильтры.
Устройство состоит из таких частей: нержавеющего корпуса с УФ лампой, находящейся внутри и блока питания, который преобразует напряжение в сети в значения, необходимые для работы лампы и предохраняет ее от скачков напряжения.
Вода, проходя внутри корпуса, просвечивается ультрафиолетовыми лучами и обеззараживается.
УФ лампа может устанавливаться после фильтра или перед ним. При монтаже лампы перед фильтрационным блоком ее часто используют в комплекте с префильтром
Место установки ультрафиолетовой лампы может зависеть от тех целей, которых необходимо добиться:
- для устранения сильных биологических загрязнений водопроводной воды проводят монтаж на входе в фильтр;
- для защиты от попадания в бак микроорганизмов из питьевого крана устанавливают лампу на отрезке между краном и емкостью.
На лампе для удобства монтажа предусмотрены две клипсы, которые помогают закрепить ее на блоке фильтрации или на любой другой поверхности.
Элемент #3 — минерализатор для воды
Вода, прошедшая через мембранный фильтр, на 90—99% очищается и избавляется от любых примесей, в том числе полезных и необходимых организму минеральных элементов. Такая вода кисловата на вкус.
Минерализаторы восполняют недостаток необходимых минералов, корректируют уровень PH. Картриджи-минерализаторы разных торговых марок могут отличаться по своему составу и ресурсу и обогащать воду кальцием, цинком, магнием, другими элементами.
Установку минерализатора проводят после мембранного фильтра и подключают преимущественно к двойному крану. Таким образом, у пользователя появляется возможность выбора между простой очищенной и минерализованной водой
В некоторых моделях фильтров обратного осмоса минерализатор играет также роль фильтра и устанавливается как последняя ступень очистки.
Инструкция: в каком порядке ставить и список инструментов
При самостоятельной установке фильтра не обойтись без использования инструментов.
Для выполнения работы понадобятся:
- Электродрель.
- Свёрла по металлу и бетону.
- Набор гаечных ключей.
- Маркер.
Установка фильтра осуществляется в такой последовательности:
- Перекрыть подачу воды.
- Определить место на мойке, где будет установлен кран. Наиболее подходит для монтажа этого элемента правый дальний угол раковины. С помощью маркера следует отметить место, где будет сделано отверстие для монтажа запорной арматуры.
- Дрелью и сверлом по металлу диаметром 12 мм необходимо просверлить отверстие в мойке в заранее отмеченном маркером месте. Если мойка изготовлена из мраморной крошки, то отверстие можно сделать с применением перового сверла по керамике.
- Поставить фитинг-тройник, входящий в комплект фильтра, в заглушку водопровода холодной воды, которая находится под мойкой.
- Пластиковый шланг, который также поставляется вместе с изделием для очистки воды, следует до упора установить на штуцер тройника. Место соединения фиксируется стопорным элементом.
- Удаляется входная заглушка фильтра и на её место устанавливается шланг, который также стопорится с помощью обжимного кольца.
- Кран фильтрующего устройства устанавливается в заранее сделанное в мойке отверстие и фиксируется с помощью резьбовой шайбы.
- Взять второй шланг, входящий в комплект, надеть на него специальную гайку, после чего установить его на кран, закрутив резьбовой элемент до упора.
- Другой конец шланга устанавливается на выходе фильтра. Место соединения также фиксируется с помощью специального стопора.
На этом установку системы можно считать завершённой. Это изделие можно эксплуатировать, установив на ровную горизонтальную поверхность. Фильтрующая установка также имеет кронштейн для монтажа на стену. Для такого типа фиксации потребуется сделать в бетоне, на заранее выверенном расстоянии, два отверстия под шурупы.
Ниже можно ознакомиться со схемой установки:

Алгоритм смены картриджей фильтра Морион ТРИО прост:
ВАЖНО: Высвобождать старые картриджи поочерёдно, прочищать кожух; устанавливать новый сначала первого фильтра, потом второго и третьего
- Перекрыть вентиль подачи воды в квартиру или к самому фильтру.
- Спустить давление в системе фильтра, открыв краник.
- Отсоединить вводную и выводную патрубки фильтра. Очистительный блок предварительно поместить на защитную платформу (тазик).
- Замена картриджей проводится поэтапно. Колбы откручивать прилагаемым приспособлением — круглым полипропиленовым ключом, фиксируя зубцы на рёбрах жёсткости колбы.
- Тщательно промыть пластмассовые ёмкости изнутри и снаружи. Использовать ёршик для бутылок, зубную щётку. Очищающий состав готовится из уксуса с содой. Промываем и коллектор — то, к чему привинчиваются колбы.
- В отмытые ёмкости вставить новые картриджи, высвободив из полиэтиленовой упаковки. Тщательно соблюдать заводскую очерёдность картриджей, они отличаются по цвету.
- Подсоединить к ТРИО вводную и выводную трубки, закрепить клипсой.
- Включить вентиль вводного трубопровода.
- Открыть кран. Изначально пойдёт грязная вода — идёт заполнение картриджей водой, вымывание угольной пыли. Дать стечь воде в течение 10 минут. Закрыть кран. По прошествии 10 минуть открыть кран повторно, дать стечь воде уже на протяжении получаса.
- Замена картриджей Аквафор Морион Трио завершена.
Аквафор DWM 101S Морион
Этот обратноосмотический фильтр компактен и экономичен. Четыре ступени очистки защищают от вирусов, паразитов, бактерий, одновременно устраняя жёсткость. Присутствуют стадии минерализации и постфильтрации, в наличии накопительная ёмкость.Отныне чайник будет чист. Мягкая вода улучшает качество блюд, приятна на вкус.
Аквафор с обратным осмосом
В этой модели представлена уже пятиступенчатая очистка воды. Пользователь может насладиться качеством воды сполна.
Краткая справка
Вода не поступает в дренаж при использовании схем с 4х ходовым клапаном, а насос не отключается, то необходимо повернуть против часовой стрелки регулировочный шестигранник на датчике высокого давления. Реализация этих процессов осуществляется через полупроницаемую мембрану, пропускающие молекулы одних веществ и препятствующие прохождению других.
Краткая справка На сегодняшний день система обратного осмоса признана лучшей технологией очищения питьевой воды.
Проверяем качество соединения, потянув трубку на себя. Кран питьевой воды системы обратного осмоса чаще всего ставят на кухонной мойке.
Всю конструкцию затягивают гайкой. Только после второго наполнения емкости можно начинать использовать очищенную воду.
Дополнительный насос устанавливается отдельно. Часто забиваются картриджи предварительной очистки. После установки мембраны нужно заняться картриджами нижнего ряда предварительной очистки.
Написать комментарий
При установке фильтра стоит сохранить свободный доступ к съемным элементам системы, так как рано или поздно картриджи потребуют переустановки. В керамических мойках или столешницах канал сверлится сверлом необходимого диаметра мм. Обязательно убедитесь, что длины трубки достаточно для прикрепления крана к секции фильтрации. Высокое давление воздуха в емкости бака, необходимо проверить уровень давления в пустой емкости накопительного бака с помощью манометра, подсоединенного через воздушный клапан. Следуя нашим рекомендациям по установке и эксплуатации фильтра, вы будете получать чистую и вкусную воду на протяжении многих лет.
Затем устанавливают кран для питьевой воды. По мысли создателей ультрафиолетовое излучение обрабатывает воду через прозрачные стенки трубки. С низким давлением в водопроводе можно брать ограничитель с меньшим значением.
Затем на верхнюю часть корпуса устанавливается блок осмоса, который фиксируется пластиковыми зажимами. Следующая ступень очистки это механический 1 микронный картридж или еще один угольный картридж Выбор картриджа зависит от концентрации в воде хлора, если хлор в воде отсутствует, то вполне можно устанавливать везде механические картриджи из полипропиленового волокна. Элементы системы обратного осмоса достаточно компактны по размеру, поэтому их не сложно установить в пространстве под кухонной мойкой Здесь вода накапливается и хранится.
Схема подключения фильтра Гейзер Престиж обратный осмос. Гейзер Престиж 2 схема подключения Гейзер М
https://youtube.com/watch?v=G2QvuUqVdDg
Альтернативные варианты
Основными конкурентами на рынке являются бренды Аквафор, Барьер, Гейзер и Новая вода.
Топ-тройка моделей со схожими параметрами включает:
- Гейзер Престиж-П (аналог А-575 по производительности, от 11700 рублей). В комплектацию данной модели входит помпа, минерализатор отсутствует. Гейзер Престиж-П выигрывает в цене, но уступает в пороге минимально допустимого давления (у А-575 с насосом оно составляет 1 атм., у этого фильтра – 2).
- Аквафор DWM-101S Морион с производительностью 7,8 л/ч, от 9700 рублей. Выигрывает в цене и компактности, но продается без накопительного бака, сменные модули нуждаются в более частой замене.
- Барьер ПРОФИ Осмо 100 Boost с повышенной производительностью (до 288 л/сутки), от 13500 рублей. Поставляется в комплекте с помпой и краном, но без накопительного бака. На первый взгляд модель не имеет недостатков, но при давлении воды свыше 4 атм. ее использовать не стоит. Ресурс службы фильтрующих модулей ограничен 5000 л, в замене они нуждаются часто.

Установка обратного осмоса – инструкция
Ознакомительный лист к прибору подсказывает, как все правильно сделать. А в совокупности с этой статьей вы будете иметь всю необходимую информацию для установки, в том числе порядок установки фильтров обратного осмоса и остальных, не менее важных процессов.
Первоочередное задание – найдите место, где будет стоять система фильтрации питьевой жидкости. Для территории под мойкой потребуется емкость(таз или что-то подобное) и полотенце, которое хорошо впитывает влагу.
Установка врезки подключения и поступления жидкости к фильтру
Для этого нужно совершить ряд действий:
- Перекрыть кран подачи жидкости в дом, открыть смеситель, подающий холодную воду. Это требуется, чтобы убрать оставшееся давление.
- Отсоединить гибкий шланг, задача которого – подача холодной воды к смесителю. Проследите, чтобы прокладка была новой, иначе станет невозможным усадка гайки на муфту.
- Далее нужно накрутить на резьбу, где присоединялся шланг, муфту с краном. По финишу вы должны почувствовать, как резьба подошла вплотную к резиновой прокладке.
- По тому же принципу присоедините шланг смесителя к другому концу муфты.
- Затем закройте кран, по которому пойдет жидкость на фильтр, и медленно открывайте квартирный кран.
На этом этапе важно проследить, нет ли протечки. Для этого спускают воздух путем открытия обычного крана
Когда увидите, что вода идет уже без пузырьков, прекратите ее подачу.
Монтаж хомута для дренажа для канализации
Дренажный хомут устанавливается на сифон для того, чтобы отводить непитьевую воду в отходы. Рекомендуется его размещать над гидрозатвором. Это специальное устройство, которое не допускает просачивания запаха нечистот из стока. Оно часто выполняется, как изогнутая труба.
Здесь понадобится дрель и сверло размером 7 мм. Отверстие нужно для трубки из пропилена. При сверлении нужно быть особенно аккуратным, так как можно пробить сифон насквозь. Не забывайте, что внутрь хомута нужно вклеить уплотнение. Оно есть в комплекте.
Затем на пропиленовую трубку нужно надеть гайку и продеть трубку в лицевую часть сифона. Трубка должна войти на 5 или 10 см. Главная задача здесь – сделать так чтобы трубка загнулась, а не оказалась вплотную возле стенки сифона. Так вы обеспечите минимальный уровень слышимости журчания воды. Загните трубку внутри сифона, приложите другую часть дренажного хомута, стяните болтами. Будьте аккуратны при этом, есть риск погнуть сифон.
Монтаж крана для подачи чистой воды
Наиболее часто кран устанавливают в углу моющей зоны. Но здесь главное условие – удобство использования и свободное место снизу. Не беда, коль нет свободного места на раковине. Кран практично и эстетично будет выглядеть в столешнице. В ней при помощи дрели можно просверлить аккуратное отверстие.
Кран внизу закрепляется двумя гайками, разными по размеру. Вначале подложите прокладку из резины, а на нее поместите шайбу, которую найдете в комплекте. Первой нужно закручивать тонкую гайку, по завершению процесса – вторую.
Подключение мембраны обратного осмоса
Чтобы разместить мембрану, нужно найти на кронштейне из металла двухсоставный корпус. Он лежит на горизонтальной плоскости, зафиксирован скобами из пластика. Нужно разъединить шланг и фитинг и отсоединить корпус справа там, где крышка. Следующий шаг – откручивание крышки и установка мембранного элемента.
Мембрана помещается в глубину, штоком с резинками для уплотнения вперед. Чтобы она вошла правильно в предназначенное место, нужно очень аккуратно создать давление на нее, лучше это сделать рукой.
После установки мембраны нужно заняться картриджами нижнего ряда предварительной очистки. Их нужно вложить в предназначенные для этого корпуса, это легко, они чаще всего симметричны. При закручивании нужно сделать так, чтобы корпус был вплотную к резинке.
Присоединить емкость, куда попадает очищенная вода, ко всей системе легко. Нужно поместить на резьбу уплотнительную нить. А на нее закрутить кран для резервуара.
Виды фильтров для установки перед станцией
Они эффективны для удаления из жидкости крупных примесей: ржавчины, песка, ила, различного мусора. Благодаря таким устройствам насосная станция прослужит дольше. Преимуществами таких систем являются простота в использовании и дешевизна. Возможно выбрать варианты с разной степенью очистки.

Оснащенные волокнистым элементом фильтрации устройства не создают сильного сопротивления потоку воды и хорошо очищают жидкость от взвесей, примесей. Волокнистая фильтрующая деталь может быть заменена, когда ресурс будет исчерпан.
Есть у таких конструкций и ряд недостатков: они занимают много места, обладают высокой стоимостью, нуждаются в частой замене фильтрующего элемента. Некоторые люди устанавливают их, поскольку полагают, что тонкая очистка после не требуется, но это неверно: такие системы убирают лишь крупные фракции, оставляя мелкие.
Фильтр тонкой очистки воды для насосной станции тоже необходим. Его однако следует устанавливать вместе с механическим; в противном случае устройство быстро поломается.
Схема подключения фильтра к насосной станции
Выбрать фильтры для насосных станций можно и в зависимости от целей использования. Если устройство требуется для погружного насоса, подойдет входное фильтрующее приспособление. Его фиксируют на всасывающей части. Фильтры входные с обратным клапаном не только очищают жидкость, но и предотвращают обратный отток воды, благодаря чему вероятность поломки насоса снижается. Часто используется вместе со шлангами.
Если очищать воду требуется в системе полива, хорошо подойдет картриджный фильтр. По мере загрязнения фильтр легко будет снять для прочистки и установить на прежнее место.

Ручные насосы, мотопомпы, автоцистерны требуют установки всасывающей сетки. Благодаря специальному клапану даже при отключенном насосе система будет оставаться наполненной. Это позволит сохранить изначальное давление, сократить время запуска.
Где применяется обратный осмос
Используют обратный осмос, прежде всего, там, где требования к качеству питьевой воды очень высокие, например:
- Предприятия общепита.
- Санатории и различные оздоровительные комплексы.
- Гостевые дома и прочее.
Для домашнего использования такая система тоже подходит, так как она компактна (речь только о бытовых приборах), а цены на оборудование и находятся на доступном для большинства уровне. В промышленности подобные системы могут применяться при подаче горячей воды в городские системы отопления. Дело в том, что при прохождении воды через обратный осмос, она деминерализуется, что способствует увеличению срока службы трубопроводов и различного оборудования.
Заключение
Фильтр для воды Аквафор позволяет не только очистить питьевую воду от примесей, но и значительно улучшить её вкус. Самостоятельная установка всей системы не занимает много времени, но если возникнут какие-либо сложности, то всегда можно обратиться за помощью к профессиональным мастерам.
Источники
- https://o-vode.net/ochistka/filtratsiya/filtry/pod-mojku/akvafor-pod-m/protsedura-ustanovki
- https://cartridge-filter.ru/shop/filtry/akvafor
- https://kvanta.ru/filtry/ustanovka-filtrov-dlya-vody-pod-mojku
- https://filteru.ru/%D0%BA%D0%B0%D0%BA-%D1%83%D1%81%D1%82%D0%B0%D0%BD%D0%BE%D0%B2%D0%B8%D1%82%D1%8C-%D1%84%D0%B8%D0%BB%D1%8C%D1%82%D1%80-%D0%B0%D0%BA%D0%B2%D0%B0%D1%84%D0%BE%D1%80/
- https://www.MrAqua.ru/articles/25-aquaphor-zamena-kartridzhei


















































